LPK-50B耐高溫壓力控制器
發布時間:2013-06-26 01:15:51 點擊:1106

產品詳細:
簡介:
LPK-50B耐高溫壓力控制器使用進口膜片式的傳感器。耐高壓,高溫,控制靈敏,使用壽命長,結構緊湊,體積小。
主要技術性能:
規格:切換差不可調
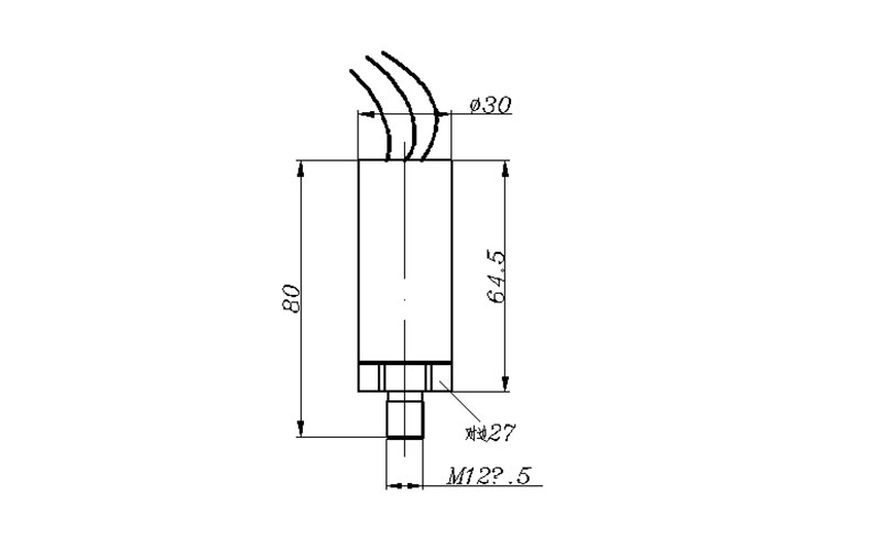
尺寸圖
01
02
下一篇:LPK-60零壓壓力控制器


簡介:
LPK-50B耐高溫壓力控制器使用進口膜片式的傳感器。耐高壓,高溫,控制靈敏,使用壽命長,結構緊湊,體積小。
主要技術性能:
規格:切換差不可調
尺寸圖
01
02
下一篇:LPK-60零壓壓力控制器